恒峰g22

恒峰g22电气集团

恒峰g22 - 官网入口 -- 天天有惊喜

ex

PE

EX

真空断路器

PRODUCT

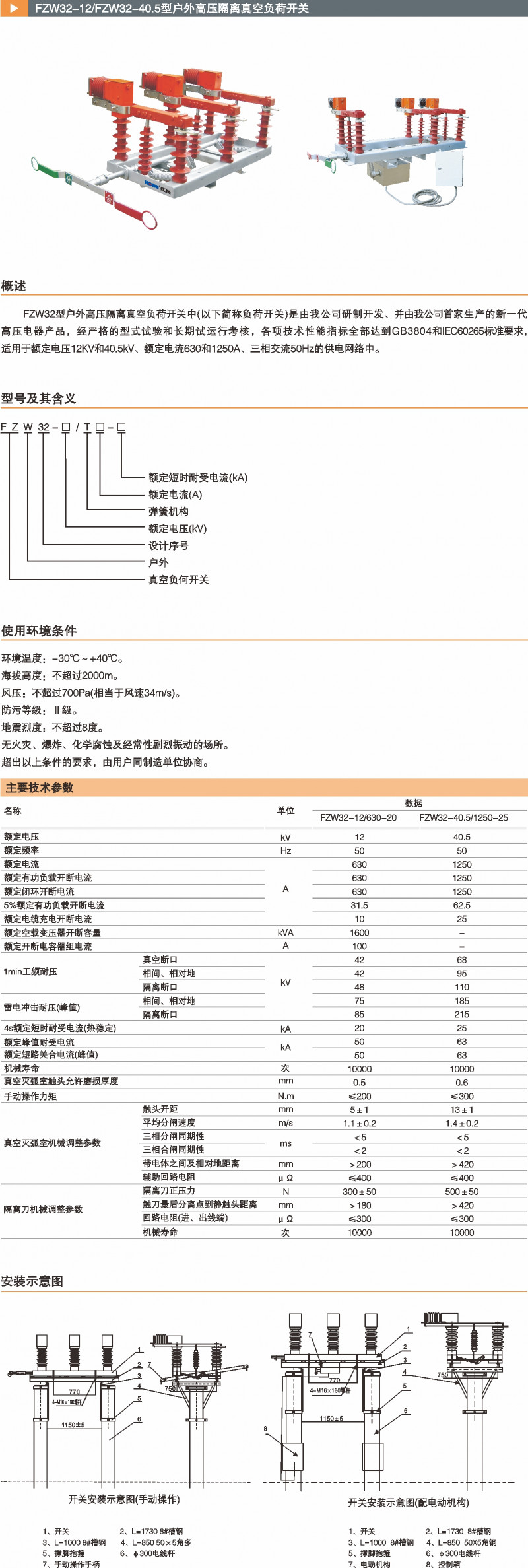
FZW32-12(40.5)户外高压隔离真空负荷开关

产品概述 Feature


产品价钱 Price

价钱规格最先日期竣事日期
0.00元/个2020-10-06 00:00:002020-10-06 00:00:00
完善资料
  • 真实姓名

  • 手机号码

    ※ 请填写真实手机号码以便我们与您联系

  • QQ

  • 验证码

关闭

地点 : 浙江省 乐清市 经济开发区 纬十六路156号 / 手机 : +86 17895754287

电话 : +86-577-62057777 86-577-62058899 / 传真 : +86-577-62059988

恒峰g22 - 官网入口 -- 天天有惊喜

返回顶部

【网站地图】